![]() |
Funktionsweise der Leistungsprüfer |
Die Homepage von H.-T. Schmidt |
Hinweise zu diesen Prinzipschaltbildern: Der Heizkreis wurde hier nicht gezeichnet; die Röhren sind natürlich beheizt. Die Wertangaben dienen zur Orientierung und geben nicht unbedingt die tatsächlichen Schaltungsverhältnisse wieder.
Der Leistungsprüfer ist an Einfachheit kaum zu unterbieten. Eine kleine Wechselspannung wird an die Röhre gelegt. Die Kathode an ein Ende und die kalten Elektroden zusammen auf das Andere. Die zu prüfende Röhre wird also zu einer Diode geschaltet. Wenn man im in der Kathodenleitung ein Amperemeter schaltet, wird der Strom in Durchlassrichtung angezeigt. In Sperrrichtung fließt natürlich kein Strom. Es wird also die Leistungsfähigkeit der kathode ermittelt. Für die Prüfdaten sind eigens Werte aus bekannt guten Röhren zu ermitteln. Die Anzeige ist in die bereiche gut, fraglich und verbraucht unterteilt.

Im nächsten Schaltbild ist das Prinzip des Euratele-Testers zu sehen. Hier werden 2 Wechselspannungen zur Verfügung gestellt, und durch den Nebenschlußwiderstandsregler kann die Empfindlichkeit des Amperemeters angepasst werden. Da das Steuergitter leicht überlastet werden kann, ist es an Kathode gelegt.

Die folgende Schaltung zeigt das TC-109 von Sencore. Auf den ersten Blick ist die Schaltung ähnlich wie beim Euratele. Hier geht allerdings die Wechelspannung direkt auf das Steuergitter, alle anderen Elektroden sind mit der Kathode verbunden. Steigt aus irgendeinem Grunde der Strom zu stark an, ist das Steuergitter in Gefahr.

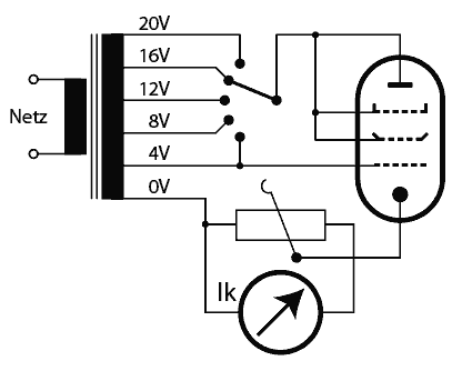
Die beste Lösung bieten die Neuberger RP270 bis RP275. Dort wird das Steuergitter getrennt und fest an 4V gelegt. Somit ist eine Überlastung nahezu ausgeschlossen.

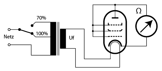
Ein Kuriosum ist der Leistungsprüfer von Helmut Schweitzer. Hier wird bei voller Heizung der Emissionsstrom festgestellt. Reduziert man nun die Heizung um 30% geht die Emission deutlich zurück. Ist der Rückgang aber unverhältnismäßig stark, ist die Kathode verbraucht. Mit diesem Verfahren lassen sich auch unbekannte Röhren testen.

Am Schluß noch der einfachste denkbare Leistungsprüfer. Hier braucht man nur ein Ohmmeter und eine Heizspannungsquelle. Auch das funktioniert gut.

|
Zurück
|