![]() |
Funktionsweise der Steilheitsmessung |
Die Homepage von H.-T. Schmidt |
Hinweise zu diesen Prinzipschaltbildern: Der Heizkreis wurde hier nicht gezeichnet; die Röhren sind natürlich beheizt. Die Wertangaben dienen zur Orientierung und geben nicht unbedingt die tatsächlichen Schaltungsverhältnisse wieder.
Für die Steilheitsermittlung gibt es zwei mögliche Verfahren, die dynamische und die statische Messung.
Bei der dynamischen Steilheitsmessung wird eine kleine Wechselspannung auf des Steuergitter gegeben. Im Andenkreis wird die Wechselspannung über einem Lastwiderstand erst vom Gleichspannungsanteil getrennt und dann gemessen. War die Gitterspannung 1V kann die Steilheit direkt am Instrument abgelesen werden, wenn es in Milliampere geecht ist. Schwierig ist es jedoch, die Anodenspannung konstant zu halten.
S1
Bei der statischen Messung werden zwei Punkte oberhalb und unterhalb des Arbeitspunktes gemessen. Der Abstand der beiden Punkte entspricht der Wechselspannungsamplitude. Die Differenz der beiden Anodenstromergebnisse entspricht der Steilheit. Hier kann ohne Lastwiderstand gemessen werden, was bedeutet, dass die Anodenspannung besser konstant gehalten werden kann. Somit ist dieses Verfahren genauer als das dynamische.
S2
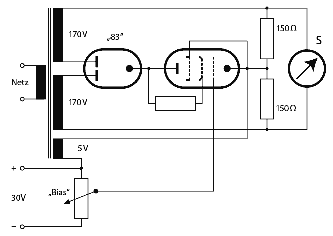
Ein in amerikanischen Röhrenprüfgeräten viel verwendetes Verfahren ist die dynamische Steilheitsmessung nach der Brückenmethode. Das Beispiel zeigt das Prinzip des I-177. Das TV7 arbeitet ähnlich. Die Anodenspannung wird über einen Zweiweggleichrichter erzeugt. Um den Unterschied in den beiden Anodenspannungskreisen zu messen sind 2 kleine Widerstände zwischen Kathode und der jeweiligen Anodenwicklung geschaltet. Zwischen den äusseren Enden der Widerstände wird gemessen. Bleibt die Steuergitterspannung konstant, befindet sich die Brücke im Gleichgewicht und das Drehspulsinstrument S zeigt keinen Ausschlag. Nun wird aber das Steuergitter im gleichen Takt wie die Halbwellen der Anodenspannungswicklungen mal positiv oder negativ. Die Brücke gerät aus dem Gleichgewicht und bringt das Instrument zum Ausschlag. Bei einer Röhre hoher Steilheit ist die Änderung und somit der Ausschlag natürlich größer als bei weniger steilen Röhren.
Ein Problempunkt ist der ungleichmäßige Verbrauch des Gleichrichters, der alleine die Brücke schon aus dem Gleichwicht bringen kann.

S3
Das Funke W18 und auch andere Funke-Prüfer bieten hier noch ungenutztes Potenzial. Normalerweise wird mit Steuergitterspannung 0V, also Kathodenspannung geprüft. In der Prüfschalterstellung "Steuerwirkung" wird das Steuergitter auf einen unteren Widerstand Rk geschaltet, und so eine undefinierte Anodenstromänderung verursacht. Wenn nun der Spannungsunterschied beim Umschalten (=Spannungsabfall RK) genau 1 Volt beträgt, lässt sich durch einfache Subtraktion der Anodenstromwerte die Steilheit ermitteln. Der gewünschte Spannungsabfall kann mit einer Zenerdiode erzielt werden.

|
Zurück
|