![]() |
Funktionsweise der Elektrodenanschlussprüfung |
Die Homepage von H.-T. Schmidt |
Hinweise zu diesen Prinzipschaltbildern: Der Heizkreis wurde hier nicht gezeichnet; die Röhren sind natürlich beheizt. Die Wertangaben dienen zur Orientierung und geben nicht unbedingt die tatsächlichen Schaltungsverhältnisse wieder.
Die Elektrodenanschlussprüfung ist dafür da, Unterbrechungen in den Zuleitungen zu den Elektroden zu finden. Die sind viel häufiger als man glaubt und daher ist es unverständlich, warum die meisten Röhrenprüfgeräte diese Prüfung nicht ermöglichen. Unterbrechungen sind zum Beispiel bei gesockelten Röhren auf schlechte Lötstellen im Sockel oder in der Röhre selbst auf schlechte Schweisspunkte zurückzuführen. Diese Fehler sind nur bei Emission festzustellen und können auch unregelmäßig auftreten. Dazu gehört auch das Krachen das bei mechanischen Erschütterungen im Radioempfänger zu hören ist. Natürlich kann es im Gerät auch andere Ursachen haben (verschmutzte Fassungskontakte).
Um andere Ursachen von Anbeginn auszuschließen, ist eine Elektrodenanschlussprüfung im Röhrenprüfgerät sinnvoll. Dazu muß die zu prüfende Röhre beheizt werden, und in irgendeiner Weise wird dann festgestellt, ob durch die Elektrodenanschlüsse Strom fließt. Durch leichtes Klopfen mit einem Gummihämmerchen (Radiergummi) auf den Kolben lassen sich auch zufällige Aussetzer finden.
Manche Röhrenprüfgeräte haben einen Kurzschlussstecker in der Anodenleitung. Hier läßt sich ein hochohmiger und gut isolierter Kopfhörer anbringen, der durch Krachgeräusche beim Beklopfen auf schlechte Kontakte hinweist. Ich bevorzuge allerdings die visuelle Anzeige, weil das Krachen sehr lästig sein kann.
Unterbrechungen in den Heizfadenzuleitungen lassen sich leicht durch die Heizfadenprüfung finden.
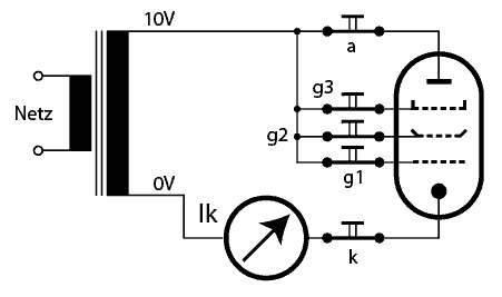
Die folgenden Schaltungsbeispiele zeigen die Anschlußprüfung bei beheizter Röhre mit Ohmmeter oder Glimmlampe. Je weiter die Elektrode von der Kathode entfernt ist, desto geringer ist die Strom. Aber hier ist wichtig, dass ein Strom fließt. Falls über alle Elektroden kein Strom fließt, ist die Kathodenzuleitung unterbrochen, sofern das Vakuum brauchbar ist und die Röhre geheizt wird.

Eine geniale, weil einfache Elektrodenanschlußprüfung haben die Neuberger Leistungsprüfer RP 270 bis RP 275. Hier lassen sich durch kleine Taster die Elektrodenzuleitunegn einzeln unterbrechen. In jedem Fall muss der Kathodenstrom zurückgehen. Ist das bei einer Elektrode nicht der Fall, war die Verbindung schon vor dem Drücken des Tasters unterbrochen. Allerdings darf man dieses Prüfverfahren nur bei Leistungsprüfer angewendet werden, da diese mit kleinen Spannungen arbeiten (Unterbricht man die Zuleitungen einzeln beim Prüfen durch hohe Spannungen, wird die zu prüfende Röhre mit großer Wahrscheinlichkeit überlastet und zerstört).

Eine Varinate der Anschlussprüfung mit Glimmlampe zeigt das Grundig Hartmann & Braun Röhrenmessgerät 55a. Hier wird nicht zwischen den Elektroden umgeschaltet, sondern durch vier Glimmlampen gleichzeitig angezeigt.

|
Zurück
|