![]() |
Funktionsweise der Prüfung von Magischen Augen |
Die Homepage von H.-T. Schmidt |
Hinweise zu diesen Prinzipschaltbildern: Natürlich werden die Röhren geheizt. Zur Vereinfachung der darstellung wurde der heizkreis nicht gezeichnet. Die Wertangaben dienen zur Orientierung und geben nicht unbedingt die tatsächlichen Schaltungsverhältnisse wieder.
Zunächst zur Definition Magische Augen. Sie sind kleine Kathodenstrahlröhren mit einem grün leuchtendem Leuchtschirm, der entweder aus einem mit Leuchtstsoffen beschichtetem Blech besteht oder Glaswand besteht. Die Ablenkung des anzeigenden Strahls erfolgt durch mehr oder weniger stark positiv geladenen Steuerstäben. Für die Röhrenprüfung ist es unerheblich, ob die Anzeige Augen-, Fächer- oder Balkenform hat.
Der überwiegnde Anteil der Magische Augen bestehen einem Verstärkersystem (Triode) und einem Anzeigesystem. Beide sind über ein oder zwei Steuerstäbe miteinander verbunden. Die Anzahl der Steuerstäbe bestimmt die Anzahl der regelbaren Schattenwinkel. Es gibt auch Anzeigeröhren mit zwei verschiedenen Empfindlichkeitsbereichen. Diese haben getrennte Steuerstäbe und eigene Verstärker (EM34). Ferner gibt es noch ZF-Pentoden mit Anzeigesystem (EFM11) oder auch nur ein Anzeigesystem alleine (DM70). Etwa 90% aller Magischen Augen bestehen aus einer Triode und einem Anzeigesystem.
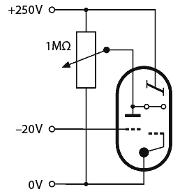
MA1
Bei den meisten Röhrenprüfgeräten sind wie für Verstärkerröhren Messwerte für Anodenstrom usw. angegeben. Dabei sind statische Messungen dieser Art völlig ungeeignet, weil trotz guter elektrischer Werte die Röhre aufgrund der schlechten Leuchtschirmhelligkeit oder -darstellung unbrauchbar sein kann. Daher gibt es nur eine Möglichkeit, diese Röhren zu prüfen: Die Umgebungsschaltung muss exakt nachgebildet werden. Die Angaben dazu finden Sie in den Datenblättern der Röhrenhersteller. Prinzipiell wird eine Leuchtschirmspannung gebraucht, ein hochohmiger Widerstand für die Verstärkeranode und die Steuerstäbe und eine negative regelbare Spannung. Die Spannungen kann ein statischen Röhrenmessgerät ohne weiteres liefern, der Hochohmwiderstand muss extra eingeschaltet werden (Widerstandsdekade). Nun kann das Schirmbild objektiv geprüft und mit den Angaben des Herstellers verglichen werden. Helligkeit, geometrie und regelbarkeit können nun bewertet werden. Übrigens kommen verzogene Schirmbilder oft von magnetisierten Röhrenteilen; hier hilft Entmagnetisieren.

MA2
Natürlich lassen sich die Systeme auch einzeln prüfen. Das Verstärkersystem wird dann wie eine normale Verstärkerröhre geprüft.
Das Anzeigesystem kann auf einem statischen Röhrenmessgerät mit einer festen Leuchtschirmspannung und einer regelbaren Steuerstabspannung geprüft werden. Sicherheitshalber sollte man aber das Steuergitter der Triode mit einer negativen Spannung sperren. Die Anzeige ist nicht identisch mit der im praktischen Betrieb. Es werden auch Leuchtschirmbereiche angesprochen, die normalerweise nicht leuchten. Daher kann die unverbrauchte Leuchtschicht an den Schirmrändern wesentlich heller leuchten als der Rest.
Die Schaltung unten zeigt einen Vorschlag für einen Leuchtschirmprüfer.

|
Zurück
|